ASYMMETRIC OR REFLEX CHARGING
13-may-2018
|
|
![]() |
INTRODUCTION
The asymmetrical or reflex reactivate or AC charging of a battery is not known to everyone, while it is (still) a very effective method. The system is based on an invention of Dutch (NL) Ernst Beer. In 1954 he aquired a patent in the Netherlands (No. 2752550) and Germany (No. 937477). Also USA patent: https://patents.google.com/patent/US2752550A/en?oq=2752550
The system is based on charging with is a pulsating load and discharge with shorter pulses. Briefly, the charging current is larger than the discharge current so that a load takes place. English speakers call it a "dirty DC charger".
I used the principle since 1963. Veterans are familiar with shortage of armytorch flashlights in service and for an action they were limited supplied. An unattended flashlight immediately became "borrowed" or "organized" by another! The following days you literally groped in the dark.
REACTIVATE/CHARGING BATTERY
In order to be excused from these inconveniences, I used a flashlight fitted with a (fig») 4.5 V battery. A modern light version is showed. We were more in the field than in the barracks so the light uses a lot of batteries. The invention of Beer could extend the life of the battery. That is why at home all kinds of 4.5 V batteries were tested with a dirty charger. Not all tested types were suitable to be full recovered. The best result was with the at present vintage White Cat 4.5 V flat battery.
In fact, it is not loaded, but reactivated. The internal resistance of a zinc-carbon battery increases during the discharge, so that power gradually decreases. Zinc, a part of a chemical process, does not return to its original form with this "loading". However, the three cells in series are not empty and Beer's method reduces the internal resistance, so that the battery lasts longer. I can no longer remember how the internal chemical reaction works, but despite the frequent use, my White Cat lasted for 2 years, provided that after use it was immediately reactivated until the terminal voltage no longer increased.
Charging current was 130 mA and decharge current was 30 mA, so that it was effectively boosted with 100 mA. Usually I use a current ratio of 1 ÷ 3. Others often use a 1 ÷ 10 ratio.
The value of the components depends on what you have available. First, leave R2 and adjust with a full battery R1 to 130 mA. Then apply R2 (R2 = ~ 3 × R1) and adjust the charging current to 100 mA.
The reactivation of Alkaline cells works but is not as effective as with the old zinc-carbon batteries.
Enthusiastic with the result, lead, nickel-iron, nickel-cadmium batteries were subjected to a charger. Finally I had about 100 of all kind batteries because I asked everyone with a empty battery to hand it over for a test. Batteries which are thought to be useless, recover after several repeated charge and discharge cycles. This also applies to lead-acid batteries that do not fully absorb a charge.

This 12V lead battery initially took no more charge, but is fully recovered.
It appears that, without a battery becoming hot, charging current can be much higher than stated by manufacturer. Also, the maximum charging time no longer needs to be kept as accurate. If it is necessary to fast-charge closed cells, stop the process when they become handwarm.
Furthermore, the NiCad memory phenomenon is greatly reduced and interim charging is possible is my experience.


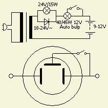
For an average charging current of approximately 1 to 2 Amps the illustrated set-up and diagram are used. The diode is mounted on a cooling block. The car lamps provide for a constant current limitation and also serve as an indication. If a battery is initially not loaded, only the small lamp is on. Gradually, the bigger one lamp glow so you know the actual load begins.


The "dead" 9 and 12 V batteries of the two left hand drills were tested with an one hour fast charging. They were years stored in the attic because the other drill was always in use. After charging the machines work as ever!
This lead battery (fig») was in 1993 removed from an alarm system as replacement for a new one. At present (2018) it is still regularly used for experiments and works as a portable power supply.
All examples are only a fraction of the number of refurbished accumulators and all that by applying Beer's idea.

It occurs that even Ni-MH batteries can be sufficient reactivated.

The original loading system has been removed and then converted into an universal holder for the refelx loading system.
Many chargers in the house were converted to the asymmetrical charging system or reconstructed as universal holder (as above) to 'reactivate' 1 to 4 batteries or rechargeable batteries.

With a 12 Volt car 40/45W lamp, it is possible to work with two charge-discharge ratios. Both filaments can be switched in parallel with a switch to increase charging current. It is not shown but with a different connection one can switch two filaments in series. I do not apply because the first method suits me well in practice.
REVERSE CHARGE
If the proposed method yields nothing, reverse charging can be worth a try. Various lead and NiCd batteries that were really "dead", were "charged" by changing the plus and minus pole. At first nothing happens and then the current starts to rise. If the terminal voltage does not increase any more, I discharge and the process is repeated a number of times until no substantial change takes place. Then the poles are connected correctly again and the battery is charged as recommended earlier in this article.
COMMENTS
Regularly reports are received about positive experience with this charging system, an example from the USA:
'I just built the reflex battery charger as shown on your web page. FANTASTIC!
Something so simple, yet works so well. BRAVO.
Best, is it causes NO RFI (unlike the other chargers sold here in the USA).'
![]()